機座帶底腳、端蓋上有凸緣(帶通孔)的電動機(B35)Frame with foot end shield with flange(B35)
For more information, please send an email or call our hotline
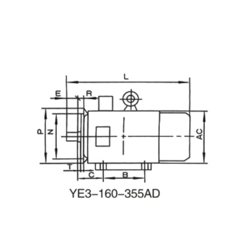
機座帶底腳、端蓋上有凸緣(帶通孔)的電動機(B35)Frame with foot end shield with flange(B35)
For more information, please send an email or call our hotline
| 機座帶底腳、端蓋上有凸緣(帶通孔)的電動機(B35)Frame with foot end shield with flange(B35) | |||||||||||||||||||||||
| 機座號 | 極數 | A | A/2 | B | C | H | K | D | E | F | G | M | N | P | R | S | T | 孔數 Holes | AB | AC | AD | HD | L |
| Frame | Ploes | ||||||||||||||||||||||
| 80M | 2.4.6.8 | 125 | 62.5 | 100 | 50 | 80 | 10 | 19 | 40 | 6 | 15.5 | 165 | 130 | 200 | 0 | 12 | 3.5 | 4 | 165 | 175 | 145 | 220 | 305 |
| 90S | 140 | 70 | 100 | 56 | 90 | 24 | 50 | 8 | 20 | 180 | 195 | 165 | 260 | 360 | |||||||||
| 90L | 125 | 390 | |||||||||||||||||||||
| 100L | 160 | 80 | 140 | 63 | 100 | 12 | 28 | 60 | 24 | 215 | 180 | 250 | 14.5 | 4 | 205 | 215 | 180 | 270 | 435 | ||||
| 112M | 190 | 95 | 140 | 70 | 112 | 230 | 240 | 190 | 300 | 470 | |||||||||||||
| 132S | 216 | 108 | 140 | 89 | 132 | 38 | 80 | 10 | 33 | 265 | 230 | 300 | 270 | 275 | 210 | 345 | 510 | ||||||
| 132M | 178 | 560 | |||||||||||||||||||||
| 160M | 254 | 127 | 210 | 108 | 160 | 14.5 | 42 | 110 | 12 | 37 | 300 | 250 | 350 | 18.5 | 5 | 320 | 330 | 255 | 420 | 730 | |||
| 160L | 254 | 760 | |||||||||||||||||||||
| 180M | 279 | 139.5 | 241 | 121 | 180 | 48 | 14 | 42.5 | 355 | 380 | 280 | 455 | 740 | ||||||||||
| 180L | 279 | 790 | |||||||||||||||||||||
| 200L | 318 | 159 | 305 | 133 | 200 | 18.5 | 55 | 16 | 49 | 350 | 300 | 400 | 395 | 420 | 305 | 505 | 790 | ||||||
| 225S | 4.8 | 356 | 178 | 286 | 149 | 225 | 60 | 140 | 18 | 53 | 400 | 350 | 450 | 8 | 435 | 470 | 335 | 560 | 865 | ||||
| 225M | 2 | 311 | 55 | 110 | 16 | 49 | 865 | ||||||||||||||||
| 4.6.8 | 60 | 140 | 18 | 53 | 890 | ||||||||||||||||||
| 250M | 2 | 406 | 203 | 349 | 168 | 250 | 24 | 500 | 450 | 550 | 490 | 510 | 370 | 615 | 915 | ||||||||
| 4.6.8 | 65 | 58 | |||||||||||||||||||||
| 280S | 2 | 457 | 228.5 | 368 | 190 | 280 | 550 | 580 | 410 | 680 | 985 | ||||||||||||
| 4.6.8 | 75 | 20 | 67.5 | ||||||||||||||||||||
| 280M | 2 | 419 | 65 | 18 | 58 | 1035 | |||||||||||||||||
| 4.6.8 | 75 | 20 | 67.5 | ||||||||||||||||||||
| 315S | 2 | 508 | 254 | 406 | 216 | 315 | 28 | 65 | 18 | 58 | 600 | 550 | 660 | 24 | 6 | 635 | 645 | 530 | 845 | 1180 | |||
| 4.6.8.10 | 80 | 170 | 22 | 71 | 1290 | ||||||||||||||||||
| 315M | 2 | 457 | 65 | 140 | 18 | 58 | 1210 | ||||||||||||||||
| 4.6.8.10 | 80 | 170 | 22 | 71 | 1320 | ||||||||||||||||||
| 315L | 2 | 508 | 65 | 140 | 18 | 58 | 1210 | ||||||||||||||||
| 4.6.8.10 | 80 | 170 | 22 | 71 | 1320 | ||||||||||||||||||
| 355M | 2 | 610 | 305 | 560 | 254 | 355 | 75 | 140 | 20 | 67.5 | 740 | 680 | 800 | 730 | 710 | 655 | 1010 | 1500 | |||||
| 4.6.8.10 | 95 | 170 | 25 | 86 | 1530 | ||||||||||||||||||
| 355L | 2 | 630 | 75 | 140 | 20 | 67.5 | 1500 | ||||||||||||||||
| 4.6.8.10 | 95 | 170 | 25 | 86 | 1530 | ||||||||||||||||||