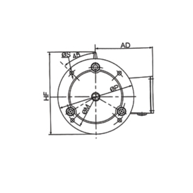
臥式安裝、機座不帶底腳、端蓋有凸緣(通孔)的電動機(B5)Frame without foot,end shield with flange(B5)
如需更多信息,請發送電子郵件或撥打我們的熱線電話
臥式安裝、機座不帶底腳、端蓋有凸緣(通孔)的電動機(B5)Frame without foot,end shield with flange(B5)
如需更多信息,請發送電子郵件或撥打我們的熱線電話
| 機座號Frame | 極數 Ploes | 安裝尺寸Mounting dimension(mm) | 外形尺寸Overall dimensions(mm) | |||||||||||||
| D | E | F | G | M | N | P | R | S | T | 孔數 | AC | AD | HD | L | ||
| Holes | ||||||||||||||||
| 80M | 2.4 | 19 | 40 | 6 | 15.5 | 165 | 130 | 200 | 0 | 12 | 3.5 | 4 | 175 | 145 | — | 305 |
| 90S | 2.4.6 | 24 | 50 | 8 | 20 | 165 | 130 | 200 | 12 | 3.5 | 4 | 205 | 170 | — | 395 | |
| 90L | 2.4.6 | 24 | 50 | 8 | 20 | 165 | 130 | 200 | 12 | 3.5 | 4 | 205 | 170 | — | 425 | |
| 100L | 2.4.6.8 | 28 | 60 | 8 | 24 | 215 | 180 | 250 | 14.5 | 4 | 4 | 215 | 180 | 245 | 435 | |
| 112M | 2.4.6.8 | 28 | 60 | 8 | 24 | 215 | 180 | 250 | 14.5 | 4 | 4 | 255 | 200 | 275 | 475 | |
| 132S | 2.4.6.8 | 38 | 80 | 10 | 33 | 265 | 230 | 300 | 14.5 | 4 | 4 | 310 | 230 | 335 | 535 | |
| 132M | 4.6.8 | 38 | 80 | 10 | 33 | 265 | 230 | 300 | 14.55 | 4 | 4 | 310 | 230 | 335 | 550 | |
| 160M | 2.4.6.8 | 42 | 110 | 12 | 37 | 300 | 250 | 350 | 18.5 | 5 | 4 | 340 | 260 | 390 | 730 | |
| 160L | 2.4.6.8 | 42 | 110 | 12 | 37 | 300 | 250 | 350 | 18.5 | 5 | 4 | 340 | 260 | 390 | 760 | |
| 180M | 2.4 | 48 | 110 | 14 | 42.5 | 300 | 250 | 350 | 18.5 | 5 | 4 | 390 | 285 | 435 | 805 | |
| 180L | 4.6.8 | 48 | 110 | 14 | 42.5 | 300 | 250 | 350 | 18.5 | 5 | 4 | 390 | 285 | 435 | 835 | |
| 200L | 2.4.6.8 | 55 | 110 | 16 | 49 | 350 | 300 | 400 | 18.5 | 5 | 4 | 445 | 320 | 495 | 890 | |
| 225S | 4.8 | 60 | 140 | 18 | 53 | 400 | 350 | 450 | 18.5 | 5 | 8 | 495 | 350 | 550 | 865 | |
| 225M | 2 | 55 | 110 | 16 | 49 | 400 | 350 | 450 | 18.5 | 5 | 8 | 550 | 350 | 550 | 865 | |
| 4.6.8 | 60 | 140 | 18 | 53 | 400 | 350 | 450 | 18.5 | 5 | 8 | 550 | 350 | 550 | 895 | ||
| 250M | 2 | 60 | 140 | 18 | 53 | 500 | 450 | 550 | 18.5 | 5 | 8 | 630 | 390 | 615 | 995 | |
| 4.6.8 | 65 | 140 | 18 | 58 | 500 | 450 | 550 | 18.5 | 5 | 8 | 630 | 390 | 615 | 995 | ||
| 280S | 2 | 65 | 140 | 18 | 58 | 500 | 450 | 550 | 18.5 | 5 | 8 | 630 | 435 | 675 | 1030 | |
| 4.6.8 | 75 | 140 | 20 | 67.5 | 500 | 450 | 550 | 18.5 | 5 | 8 | 630 | 435 | 675 | 1030 | ||
| 280M | 2 | 65 | 140 | 18 | 58 | 500 | 450 | 550 | 18.5 | 5 | 8 | 630 | 435 | 675 | 1080 | |
| 4.6.8 | 75 | 140 | 20 | 67.5 | 500 | 450 | 550 | 18.5 | 5 | 8 | 630 | 435 | 675 | 1080 | ||