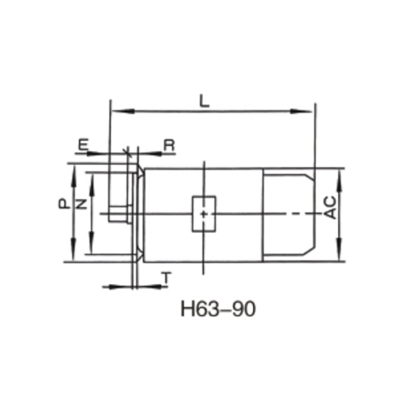
臥式安裝、機座不帶底腳、端蓋上有凸緣的電動機(B5)
如需更多信息,請發送電子郵件或撥打我們的熱線電話
臥式安裝、機座不帶底腳、端蓋上有凸緣的電動機(B5)
如需更多信息,請發送電子郵件或撥打我們的熱線電話
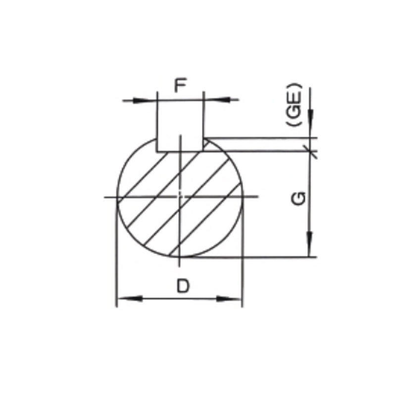
| 機座號 | 極數 | D | E | F | G | M | N | P | R | S | T | 孔數 | AC | AD | HF | L |
| Frame | Ploes | Holes | ||||||||||||||
| 63M | 2.4 | 11 | 23 | 4 | 8.5 | 115 | 95 | 140 | 0 | 10 | 3 | 4 | 130 | 120 | — | 230 |
| 71M | 2.4.6 | 14 | 30 | 5 | 11 | 130 | 110 | 160 | 3.5 | 145 | 125 | 255 | ||||
| 80M | 2.4.6.8 | 19 | 40 | 6 | 15.5 | 165 | 130 | 200 | 12 | 175 | 145 | 305 | ||||
| 90S | 24 | 50 | 8 | 20 | 195 | 165 | 360 | |||||||||
| 90L | 390 | |||||||||||||||
| 100L | 28 | 60 | 24 | 215 | 180 | 250 | 14.5 | 4 | 215 | 180 | 245 | 435 | ||||
| 112M | 240 | 190 | 265 | 470 | ||||||||||||
| 132S | 38 | 80 | 10 | 33 | 265 | 230 | 300 | 275 | 210 | 315 | 510 | |||||
| 132M | 560 |